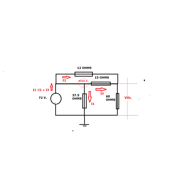
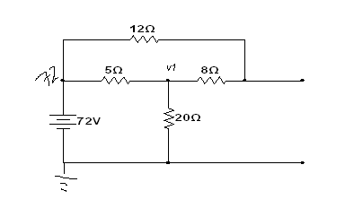
Mediante el método de nodos como podría determinar el voltaje de thevenin en este circuito
Ya halle la resistencia de thevenin pero, no comprendo como hallaría el voltaje de thevenin mediante el métodode nodos

3 respuestas
Respuesta de albert buscapolos Ing°
2
Respuesta de Jose Miguel Sirgo Pascual
Respuesta de Mario Gomez



